検索
ホーム プロダクツ ダウンロード 販売(注文はココ) サポート
 よくある質問とサポートのページです。
[#18714] LT8714 バイポーラ出力DC-DCコンバータモジュール(4象限動作)
商品ページにジャンプ
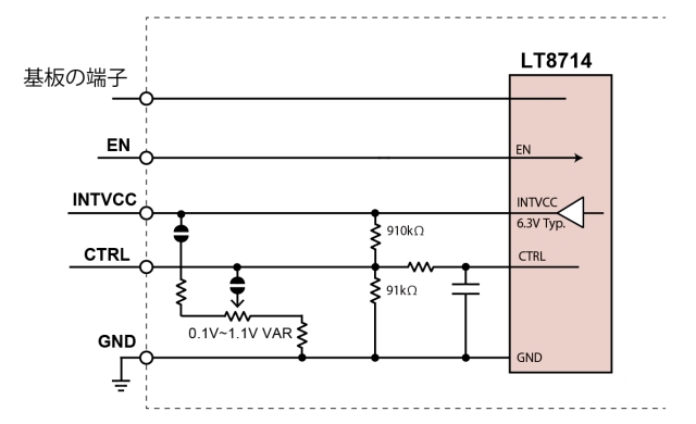
 CTRLピンの回路について知りたい 2024-05-18更新     <<前のFAQ | 次のFAQ>>
このモジュールでは下のようにLT8714のCTRLピンが結線されています。
INTVCCを分圧して約0.57VのバイアスをCTRLに掛けています。これで出力電圧はおよそ0Vになります。この分圧抵抗がないとCTRLピンオープンで入力が不定となり、マイナスいっぱいあるいはプラスいっぱいの電圧に振ってしまう恐れがありますので安全上こうしています。

回路図中のジャンパー2か所ショートさせると内蔵ボリュームが接続され、0.1V〜1.1Vの範囲で電圧を調整できるようになります。これが出力の-15V〜+15Vに対応します。テスト用にお使いいただけます。外部からの信号によって動作させる場合はジャンパーはショートしないでください。内部リファレンス電源INTVCCの外部に流せる電流は10mAまでです。


●データシート・ファイル (うまく表示されない場合は、右クリックしてファイルに保存してから開いてください)

 LT8714モジュール説明書 (658kバイト) 2025年 12月 22日
 LT8714 Datasheet (1,890kバイト) 2020年 02月 01日

●その他の質問一覧(この商品について)
  バイポーラ出力DC-DCコンバータモジュールの発売 2025-12-22更新
  マイコンからディジタルで調整できますか? 2025-11-17更新
  出力電圧を上げることはできますか? 2025-10-23更新
  最低動作電圧は何Vですか? 2025-10-23更新
  負荷をつないでいないのでモジュールが熱くなる。 2025-10-23更新
  吸い込んだ電流(Sink Current)はどこに行くんですか? 2025-10-23更新
  どのくらいの周波数まで利用できますか? 2025-10-23更新
  0.58Vで0V出力ですが、電源電圧によって変動しますか? 2025-10-23更新
  マイナスの電源がなくても動作しますか? 2025-10-23更新
  CTRLピンが0.1V以下, 1.1V以上になるとどうなりますか? 2025-10-23更新
  パワーオペアンプのように感じで使えるのでしょうか? 2025-02-13更新
  【ご注意】マイナス出力の大電流負荷について 2025-02-13更新
  出力が出ず、部品が熱くなる。 2025-01-24更新
  内部でVINとENは接続されていますか? 2025-01-24更新
  【ご注意】無電源の時に負荷に電圧を加えないでください。 2024-05-19更新
  CTRLに可変抵抗を外付けしてみましたがノイズが乗ります。 2024-05-19更新
  動作サンプル波形 2024-05-18更新
  定電流出力はできますか? 2024-05-18更新
  CTRLピンの回路について知りたい 2024-05-18更新
  電流を吸い込むということは電子負荷として使用できますか? 2024-05-18更新
  LT8714が電流を吸い込むとどうなりますか? 2024-05-17更新
  LT8714はどのようなメリットがありますか? 2024-05-15更新
  外部から制御電圧を与えないと動作しませんか? 2024-05-15更新
  動作中の温度分布 2024-05-15更新
  改造して電流を増やしたり、電圧範囲を変えることはできますか? 2024-05-15更新
  電源を接続しましたが出力がほぼ0Vで出ません。 2024-05-15更新
  外部から電圧調整する際に基準となる電圧は出せますか? 2024-02-26更新
  出力の調整はどうやって行いますか? 2024-02-18更新
  電流をモニタする機能はありますか? 2024-02-14更新
  負荷電流は最大1Aということですが、電圧を1Vのように低くした場合はもっと流せますか? 2024-02-13更新
  基板からジーという音が聞こえる 2024-02-11更新
  負電圧を出力すると基板がとても熱くなります。 2024-02-11更新
  短絡保護はありますか? 2024-02-11更新
  ペルチェ素子のコントロールに利用できますか? 2024-02-11更新
  制御端子はどのように接続しますか? 2024-02-04更新
  出力の±15Vまではいらないから±5Vで3Aくらいが欲しい 2024-02-04更新
  5Vで動作できますか? 2024-02-04更新
  4象限動作とはなんですか? 2024-02-04更新
  無負荷での消費電流は? 2024-02-04更新
  出力電圧はどのように設定しますか? 2024-02-04更新
  電源ON時は何Vが出力されますか? 2024-02-04更新
  CTRLピンにファンクションジェネレータの信号を入れることができますか? 2024-02-04更新
  30V以上で動作できますか? 2024-02-04更新


製品一覧 - 会社案内 - よくある質問 - 発送状況

●当社製品・ウェブはAI不使用です。AIが生成した文章、プログラム、画像・写真、架空の情報は一切使用していません。

出版社・マスコミ関係・SNS企業やIT企業の方へ
本Webサイトの内容を営利企業が掲載する場合は有料無料に関係なく許諾が必要です [詳しく]
Copyright 2003-2025 © Strawberry Linux Co.,Ltd.